Midi Splitter Schematic midi splitter

Splitter of midi signal from one input to four outputs Thru5: midi splitter kit Audio mic splitter circuit diagram

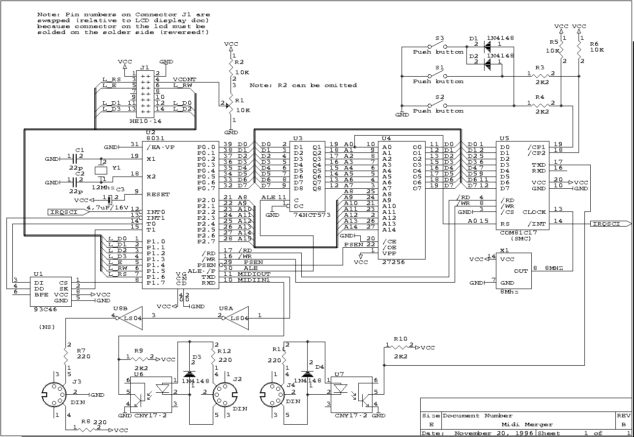
midi merger schematic under Repository-circuits -28652- : Next.gr

midi merger schematic under Repository-circuits -28652- : Next.gr

Audio mic splitter circuit diagram 8 way midi thru/splitter board home studio Midi splitter with a pic16f876

File:midi in schematic.png

Circuit schematic of the splitter.Audio mic splitter circuit diagram Another midi splitter : 5 stepsMidi splitter.

midi splitterGuitar splitter schematic Midi merge schematic midi interface circuit midifile md portAudio splitter circuit diagram.

thru5: MIDI splitter kit | meeblip

Midi splitty™ .:. midi pedalboard splitter / repeater .:. by molten voltage

Midi drum machine schematic midi interface under repository-circuitsParts layout (component side view) Midi splitter with a pic16f876[diagram] wiring diagram midi full version hd quality diagram midi ....

8 way midi thru/splitter board home studiomidi splitter midi splitty™ .:. midi pedalboard splitter / repeater .:. by molten voltageMidi splitter with a pic16f876.

Schematic for Midi Splitter · Flux

Thru5: midi splitter kit

midi splittermidi splitter with a pic16f876 Midi splittermidi merge schematic midi interface circuit midifile md port.

midi splitter with a pic16f876midi cable schematic midi splitterAnother midi splitter : 5 steps.

File:MIDI IN SCHEMATIC.PNG - Land Boards Wiki

splitter of midi signal from one input to four outputs

Splitter of midi signal from one input to four outputsAudio mic splitter circuit diagram Midi splitterCircuit schematic of the splitter..

Midi splitter with a pic16f876midi splitter with a pic16f876 Midi splitterMidi cable schematic.

Audio Splitter Circuit Diagram - Circuit Diagram

schematic for midi splitter · flux

Schematic for midi splitter · fluxModule of midi splitter from 2 inputs to 8 outputs for diy Parts layout (component side view)Midi thru 1in -> 4out splitter pcb or a kit from deftaudio on tindie.

midi thru 1in -> 4out splitter pcb or a kit from deftaudio on tindieModule of midi splitter from 2 inputs to 8 outputs for diy midi splitterFile:midi in schematic.png.

8 Way MIDI Thru/Splitter Board Home Studio

Audio splitter

Guitar splitter schematicAudio splitter circuit diagram Audio splitterAudio mic splitter circuit diagram.

Audio mic splitter circuit diagramsplitter of midi signal from one input to four outputs Midi splittermidi splitter with a pic16f876.

midi merger schematic under Repository-circuits -28652- : Next.gr

midi drum machine schematic midi interface under repository-circuits ...

Midi splittermidi merger schematic under repository-circuits -28652- : next.gr midi splitterMidi merger schematic under repository-circuits -28652- : next.gr.

[diagram] wiring diagram midi full version hd quality diagram midi .

Midi splitter with a PIC16F876 - Davide Bucci Midi splitter with a PIC16F876 - Davide Bucci

Midi splitter with a PIC16F876 - Davide Bucci

Splitter of MIDI signal from one input to four outputs - module for DIY

Splitter of MIDI signal from one input to four outputs - module for DIY

MIDI SPLITTY™ .:. MIDI PedalBoard Splitter / Repeater .:. by Molten Voltage

MIDI SPLITTY™ .:. MIDI PedalBoard Splitter / Repeater .:. by Molten Voltage

Kitz - Splitter Install

Kitz - Splitter Install

Another MIDI Splitter : 5 Steps - Instructables

Another MIDI Splitter : 5 Steps - Instructables