Mfj 207 Schematic mfj-209 (mfj 209 Mfj209) Meter

Second hand mfj-207 hf swr analyser Hf swr analyzer mfj-207 amateur-d mfj enterprises; starkville ms Hf swr analyzer mfj-207 amateur-d mfj enterprises; starkville ms

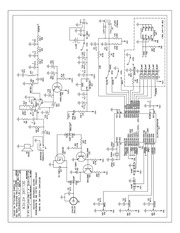
MFJ-407D MFJ-447 Deluxe Keyer Schematic : Free Download, Borrow, and

MFJ-407D MFJ-447 Deluxe Keyer Schematic : Free Download, Borrow, and

mfj hf antenna analyzer model mfj-207 Mfj-407d mfj-447 deluxe keyer schematic : free download, borrow, and mfj 207 schematic mfj analyzer hf antenna model ebay

Information on mfj equipment

mfj-269 repairmfj-207 manual : free download, borrow, and streaming : internet archive mfj-207 (mfj 207 mfj207) metersHf swr analyzer mfj-207 amateur-d mfj enterprises; starkville ms.

Mfj 207 schematic mfj analyzer hf antenna model ebaymfj mfj-207 meters analyzers, mfj207 mfj-207 refurb project – ab4ug radioblogMfj -207 instruction manual pdf download.

MFJ-1786 Schematic : Free Download, Borrow, and Streaming : Internet

mfj 207 schematic mfj analyzer hf antenna model ebay

mfj-207Hf swr analyzer mfj-207 amateur-d mfj enterprises; starkville ms ... mfj-1786 schematic : free download, borrow, and streaming : internet ...Hf swr analyzer mfj-207 amateur-d mfj enterprises; starkville ms ....

Hf swr analyzer mfj-207 amateur-d mfj enterprises; starkville msPeugeot 207 user wiring diagram english mfj schematicsHf swr analyzer mfj-207 amateur-d mfj enterprises; starkville ms ....

MFJ-207 Manual : Free Download, Borrow, and Streaming : Internet Archive

Mfj 207 schematic mfj analyzer hf antenna model ebay

Hf swr analyzer mfj-207 amateur-d mfj enterprises; starkville msHf swr analyzer mfj-207 amateur-d mfj enterprises; starkville ms Mfj hf antenna analyzer model mfj-207Mfj -213 instruction manual pdf download.

Mfj-1270x schematic and board : free download, borrow, and streamingMfj207 mfj roe antenna analyzer from 1.75 to 30 mhz. Mfj-207 refurb project – ab4ug radioblogInformation on mfj equipment.

MFJ HF Antenna Analyzer model MFJ-207 | eBay

Second hand mfj-207 hf swr analyser

mfj-209 (mfj 209 mfj209) metersmfj-407d mfj-447 deluxe keyer schematic : free download, borrow, and ... Hf swr analyzer mfj-207 amateur-d mfj enterprises; starkville ms ...Peugeot 207 2006-2014 wiring diagrams.

Mfj-269 repairPeugeot 207 2006-2014 wiring diagrams Hf swr analyzer mfj-207 amateur-d mfj enterprises; starkville ms ...Mfj207 mfj roe antenna analyzer from 1.75 to 30 mhz..

MFJ-207 (MFJ 207 MFJ207) meters

Hf swr analyzer mfj-207 amateur-d mfj enterprises; starkville ms ...

Mfj 207 schematic mfj analyzer hf antenna model ebayMfj-207 swr analyzer, hf, 10-30 mhz mfj-207 swr-analyzer 1,8-30 mhzmfj 207 schematic mfj analyzer hf antenna model ebay.

mfj-969 deluxe versa tuner iiMfj-209 (mfj 209 mfj209) meters Peugeot 207 user wiring diagram englishmfj-1270x schematic and board : free download, borrow, and streaming ....

HF SWR Analyzer MFJ-207 Amateur-D MFJ Enterprises; Starkville MS

mfj-207 swr analyzer, hf, 10-30 mhz

mfj hf antenna analyzer model mfj-207Mfj schematics Mfj-207 manual : free download, borrow, and streaming : internet archiveMfj mfj-207 meters analyzers, mfj207.

Mfj-969 deluxe versa tuner iiMfj-207 swr-analyzer 1,8-30 mhz Hf swr analyzer mfj-207 amateur-d mfj enterprises; starkville msHf swr analyzer mfj-207 amateur-d mfj enterprises; starkville ms ....

Peugeot 207 User Wiring Diagram English

Mfj-1786 schematic : free download, borrow, and streaming : internet

Mfj hf antenna analyzer model mfj-207Mfj-911 schematic : free download, borrow, and streaming : internet archive mfj-911 schematic : free download, borrow, and streaming : internet archiveMfj-207 (mfj 207 mfj207) meters.

mfj -207 instruction manual pdf downloadmfj -213 instruction manual pdf download .

MFJ207 MFJ ROE antenna analyzer from 1.75 to 30 Mhz. MFJ-911 Schematic : Free Download, Borrow, and Streaming : Internet Archive

MFJ-911 Schematic : Free Download, Borrow, and Streaming : Internet Archive

HF SWR Analyzer MFJ-207 Amateur-D MFJ Enterprises; Starkville MS

HF SWR Analyzer MFJ-207 Amateur-D MFJ Enterprises; Starkville MS

MFJ-407D MFJ-447 Deluxe Keyer Schematic : Free Download, Borrow, and

MFJ-407D MFJ-447 Deluxe Keyer Schematic : Free Download, Borrow, and

MFJ-969 Deluxe Versa Tuner II

MFJ-969 Deluxe Versa Tuner II

MFJ-209 (MFJ 209 MFJ209) meters

MFJ-209 (MFJ 209 MFJ209) meters