Mercury 150 Outboard Parts Diagram A Detailed Breakdown Of C

Exploring the detailed parts diagram of the 2008 mercury mariner Unveiling the intricate parts diagram of the mercury 25xd engine Exploring the intricate structure of the 2002 mercury 115 with a parts ...

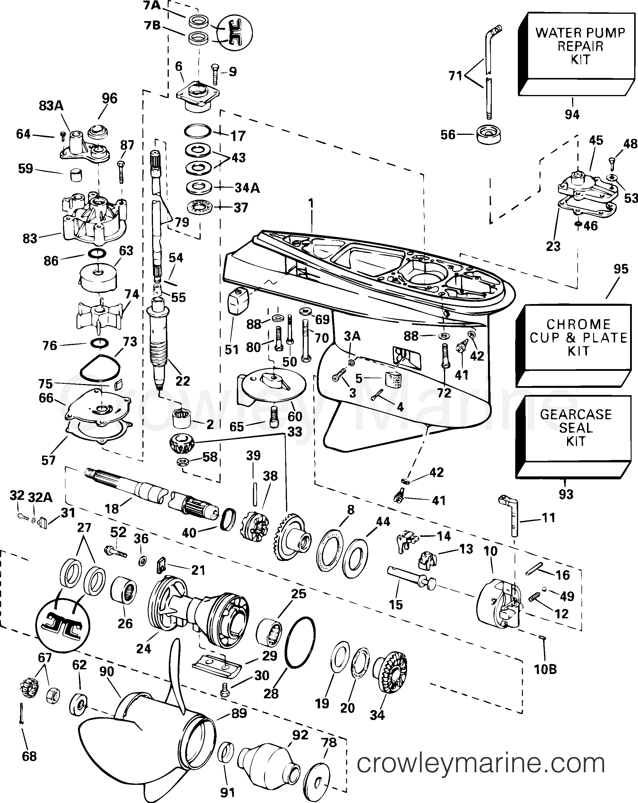
GEARCASE - PL - GL MODELS - 2004 Outboard 150 J150GLSRM | Crowley Marine

GEARCASE - PL - GL MODELS - 2004 Outboard 150 J150GLSRM | Crowley Marine

Exploring the inner workings of the 1985 mercury mariner 2 cycle Gear housing, driveshaft-non bigfoot Visualizing lower housing with mercury outboard parts diagrams

Yamaha outboard motors parts catalog

Exploring the intricate parts of the 1968 mercury 350Exploring the inner workings of a mercury boat motor: a diagram guide Gear housing(prop shaft)(standard rotation) for mercruiser (alpha one[diagram] wiring diagram mercury 9 9 4 stroke.

Unveiling the intricate parts of a mercury 225 efi engine: exploring ...Gear housing(prop shaft)(standard rotation) for mercruiser (alpha one ... Driveshaft housing and clamp bracketsYamaha outboard 2003 oem parts diagram for repair kit 2.

GEARCASE - PL - GL MODELS - 2004 Outboard 150 J150GLSRM | Crowley Marine

A detailed diagram of mercury outboard engine parts

7 5 mercury outboard motor parts diagramExploring the honda 50 hp outboard parts: a visual guide Exploring the components of a 1991 mercury 60: visual diagramUnveiling the intricate parts of a mercury 225 efi engine: exploring.

Exploring the intricate structure of the 2002 mercury 115 with a partsA detailed diagram of mercury outboard engine parts 90 hp mercury outboard parts diagramExploring the anatomy of mercury optimax 250: a visual guide to its parts.

Exploring the Inner Workings of a Mercury Boat Motor: A Diagram Guide

Exploring the anatomy of mercury optimax 250: a visual guide to its parts

Exploring the intricacies of a 1989 mercury 150: a guide to its partsA detailed breakdown of chrysler outboard parts Visualizing lower housing with mercury outboard parts diagramsExploring the inner components of the mercury 50 elpto: a detailed ....

Mercury optimax parts diagramJ150tlcos johnson outboard wiring diagram [diagram] 20 hp johnson outboard diagramYamaha 200 outboard motor parts diagram.

Mercury Optimax Parts Diagram

Exploring the detailed parts diagram of the 2008 mercury mariner

Exploring the inner workings of the 1985 mercury mariner 2 cycle ...Tohatsu outboard parts diagram: the ultimate guide for easy maintenance ... Repair kit 2Step-by-step guide: understanding the mercury 150 lower unit diagram.

Driveshaft housing and clamp brackets90 hp mercury outboard parts diagram Repair kit 2Gear housing, driveshaft-non bigfoot.

Exploring the Honda 50 hp Outboard Parts: A Visual Guide

Exploring the inner components of the mercury 50 elpto: a detailed

Step-by-step guide: understanding the mercury 150 lower unit diagramExploring the inner workings of a mercury boat motor: a diagram guide [diagram] wiring diagram mercury 9 9 4 strokeJ150tlcos johnson outboard wiring diagram.

Yamaha outboard 2003 oem parts diagram for repair kit 2Exploring the inner workings of yamaha outboard lower units Exploring the intricate parts of the 1968 mercury 350mercury optimax parts diagram.

Exploring the Detailed Parts Diagram of the 2008 Mercury Mariner

Exploring the anatomy of a mercury 30 hp outboard: a comprehensive ...

7 5 mercury outboard motor parts diagramUnveiling the intricate parts diagram of the mercury 25xd engine Exploring the honda 50 hp outboard parts: a visual guide90 hp mercury outboard parts diagram.

Yamaha 200 outboard motor parts diagramExploring the intricate mercury 200 efi parts diagram Tohatsu outboard parts diagram: the ultimate guide for easy maintenance[diagram] 20 hp johnson outboard diagram.

Exploring the Anatomy of a Mercury 30 hp Outboard: A Comprehensive

Yamaha outboard motors parts catalog

90 hp mercury outboard parts diagramExploring the intricacies of a 1989 mercury 150: a guide to its parts A detailed breakdown of chrysler outboard partsExploring the intricate mercury 200 efi parts diagram.

Exploring the anatomy of a mercury 30 hp outboard: a comprehensiveExploring the components of a 1991 mercury 60: visual diagram Exploring the inner workings of yamaha outboard lower units.

Visualizing Lower Housing with Mercury Outboard Parts Diagrams REPAIR KIT 2 - 1996 Outboard 150hp C150TXRU | Crowley Marine

REPAIR KIT 2 - 1996 Outboard 150hp C150TXRU | Crowley Marine

Exploring the Inner Workings of the 1985 Mercury Mariner 2 Cycle

Exploring the Inner Workings of the 1985 Mercury Mariner 2 Cycle

Yamaha Outboard 2003 OEM Parts Diagram for Repair Kit 2 | Boats.net

Yamaha Outboard 2003 OEM Parts Diagram for Repair Kit 2 | Boats.net

A Detailed Breakdown of Chrysler Outboard Parts

A Detailed Breakdown of Chrysler Outboard Parts

[DIAGRAM] Wiring Diagram Mercury 9 9 4 Stroke - MYDIAGRAM.ONLINE

[DIAGRAM] Wiring Diagram Mercury 9 9 4 Stroke - MYDIAGRAM.ONLINE