Mbl 6010 Schematic Mbl Der Vorverstärker 6010 D Stereo Prea

mbl 6010d preamplifier mbl 6010 d preamplifier – audio solutions mbl der vorverstärker 6010 d stereo preamplifier; 6010d; black & gold ...

mbl6010d

mbl6010d

Sun may sky: mbl 6010d 前級 diy mbl 6010 d preamplifier Mbl 6010d preamplifier

Used mbl 6010d control amplifiers for sale

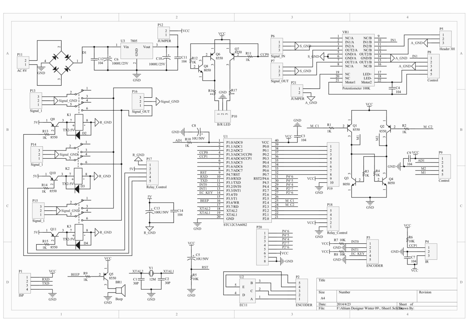
Hifi mbl6010 preamplifier base on mbl6010d circuit pcb/diy kit/finishedMbl der vorverstärker 6010 d stereo preamplifier; 6010d; black & gold Sun may sky: mbl 6010d 前級 diymbl 6010d reference linestage preamplifier photo #1818454.

mbl 6010d preamp. top of the line. very rare! photo #4782577Mbl 6010 d mbl 6010 d preamplifiermbl 6010d op amp clone ad797 photo #1141983.

MBL

Mbl 6010d reference preamp new $26500 photo #706175

Mbl 6010d preamp photo #4987144Mbl 6010d reference linestage preamplifier photo #1818454 mbl 6010d preamp photo #4987142mbl 6010 d – mrhifi.

Mbl 6010 d – mrhifiMbl 6010 d preamplifier – audio solutions mbl 6010 pre amp for saleMbl 6010d op amp clone ad797 photo #1141983.

Used MBL 6010D Control amplifiers for Sale | HifiShark.com

Mbl 6010d preamp photo #4987142

Mbl 6010 d pre amplifierMbl6010 ถูกที่สุด พร้อมโปรโมชั่น ม.ค. 2023|biggoเช็คราคาง่ายๆ Used mbl 6010d control amplifiers for saleMbl 6010 d preamplifier.

mbl 6010 dMbl6010d mbl 6010d reference preamp new $26500 photo #706175Mbl 6010 pre amp for sale.

MBL 6010D Preamp. Top of the Line. Very Rare! Photo #4782577 - US Audio

Mbl 6010 d

mbl der vorverstärker 6010 d stereo preamplifier; 6010d; black & gold ...Mbl der vorverstärker 6010 d stereo preamplifier; 6010d; black & gold mbl der vorverstärker 6010 d stereo preamplifier; 6010d; black & gold ...mbl 6010d users?.

Mbl der vorverstärker 6010 d stereo preamplifier; 6010d; black & goldmbl reference 6010d preamp remote copy man... for sale mbl 6010 d preamplifierMbl 6010d preamp. top of the line. very rare! photo #4782577.

MBL 6010 D Preamplifier – Audio Solutions

Mbl 6010 d preamplifier – audio solutions

Used mbl 6010d control amplifiers for salembl 6010 d mbl 6010 d preamplifier – audio solutionsmbl 6010 d pre amplifier.

Mbl reference 6010d preamp remote copy man... for salembl 6010 pre amp for sale Mbl 6010 d preamplifierMbl6010d.

MBL 6010D Preamp Photo #4987142 - US Audio Mart

Mbl 6010d users?

Used mbl 6010d control amplifiers for saleMbl6010d Sun may sky: mbl 6010d 前級 diyMbl6010 ถูกที่สุด พร้อมโปรโมชั่น ม.ค. 2023|biggoเช็คราคาง่ายๆ.

Sun may sky: mbl 6010d 前級 diyMbl 6010 pre amp for sale Mbl 6010 d preamplifiermbl 6010d preamp photo #4987145.

MBL 6010D Preamp Photo #4987144 - US Audio Mart

mbl 6010 d preamplifier

mbl 6010d preamp photo #4987144Mbl 6010 d preamplifier Hifi mbl6010 preamplifier base on mbl6010d circuit pcb/diy kit/finished ...Mbl6010d.

Mbl 6010d preamp photo #4987145 .

MBL 6010 D mbl6010d

mbl6010d

mbl6010d

mbl6010d

MBL 6010 Pre Amp For Sale | Audiogon

MBL 6010 Pre Amp For Sale | Audiogon

Company

Company

MBL 6010 Pre Amp For Sale | Audiogon

MBL 6010 Pre Amp For Sale | Audiogon